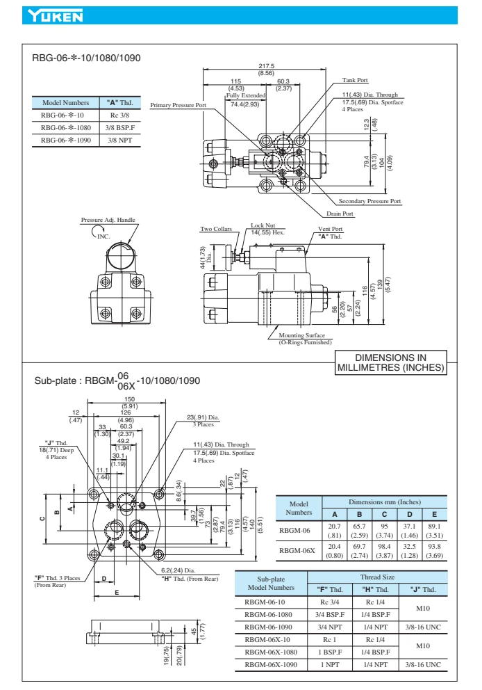
YUKEN RBG 감압 및 방출 밸브 RBG-03 RBG-06
감압 및 릴리프 밸브는 유압 밸런싱 회로용으로 개발된 감압 및 균형 기능을 갖춘 복합 압력 제어 밸브입니다. 압력을 조정하려면 잠금 너트를 풀고 압력 조정 핸들을 압력이 높을 경우 시계 방향으로, 압력이 낮을 경우 시계 반대 방향으로 천천히 돌립니다. 조정 후에는 잠금 너트를 조이는 것을 잊지 마십시오. 압력은 장착된 칼라에 따라 제한됩니다. 작동 압력에 도달할 수 없는 경우 일부 칼라를 제거하십시오. 칼라 하나는 10 MPa(1450 PSI)에 해당합니다. 탱크 파이프를 다른 라인에 연결하지 말고 저장소에 직접 연결하십시오.
문의 보내기
Inquiry




















